1994 Dodge Dakota Spark Plug Wiring Diagram

1990 dodge dakota 2dr convertible wiring information.
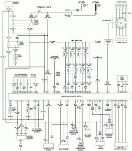
1994 dodge dakota spark plug wiring diagram. Here s a diagram for 5 2 firing order chrysler. May i also have the wiring diagram for the 1994 dodge dakota 4x4 v8 extended cab. Distributor cap diagrahm for a 1992 dodge dakota 3 9 l what is the correct order for the spark plug wires on the distributor i know the firing order is 1 6 5 4 3 2 here is a firing order diagram and note the distributor cap latch positions between terminals 1 and 2 and 5 and 4 and let me know if you need any help to understand this diagram or if you require any further assistance. Here s the firing order for a chrysler 5 2l engine.
1997 dodge dakota 2dr ext cab pickup wiring information. 1994 dodge dakota spark plug wire we have 29 items in stock. 2001 dodge dakota 2dr ext cab pickup wiring information. I am looking for the wiring diagram for the headlights mainly but anything would be awesome.
Need a diagram for a 99 dodge dakota sport wiring from spark plugs to distributer cap 1999 dodge dakota 3 9 liter v 6 vin x 1999 dodge dakota 5 2 liter v 8 vin y. 1994 dodge dakota 52 v8 4x4 tail lights and license tag light are not getting power. I need a printout of wiring diagram for a 1995 dodge dakota help headlight switches tend to over heat and melt wiring harness replace switch and harness should help with this problem if you can extend the harness will help in the future. Dodge dakota firing order dodge 3500 firing order.
This is a short video of how to replace spark plug wires specifically for a 1997 dodge ram 1500. Dodge firing order v8 top 5 auto repairs. 1997 dodge ram 1500 spark plug wire replacement duration. 5 2 liter v 8 vin y dodge dakota dodge durango ram pickup ram van firing order spark plug gap spark plug torque.
1998 dodge dakota 2dr ext cab pickup wiring information. To see other chrysler engines click on this link. 2001 dodge dakota 4dr pickup wiring information. Thank you for your time.
1994 dodge ram headlight switch wiring diagram wirdig inside 1994 dodge. 1999 dodge dakota 2dr ext cab pickup wiring information. The three critical components to ensuring that the spark plugs have been properly rewired are firing order cylinder. Feel free to ask any questions that you might have as well as add something i may have neglected.
Changing spark plugs requires more than just the ability to pull each one out and put a new one in the empty space.